Ball race KLK 950ND, drilled, 60 kN, 952 mm
Ball race KLK 950ND, drilled, 60 kN, 952 mm
107291194
⚖️ 52,0 kg
Description
Description
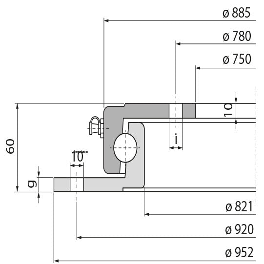
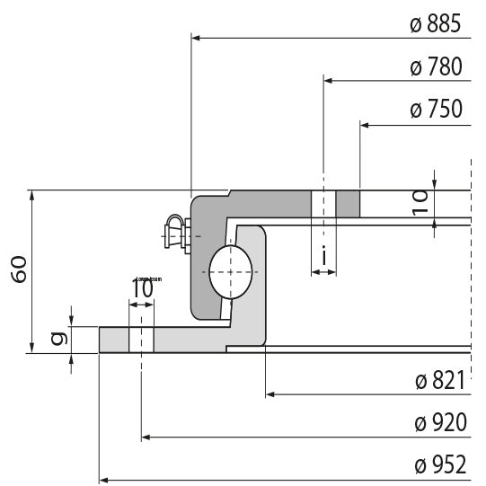
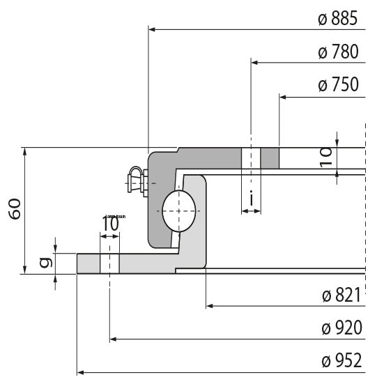
Ball and cage assembly KLK 950ND, KTL-coated, standard, drilled, permissible axial load 60 kN, nominal Ø 952 mm
Attributes
Attributes
| Axial load 1 | 60.0 |
| Height | 60.0 |
| Maintenance minus free | No |
| Material | Steel |
| Nominal diameter | 950.0 |
| Surface | KTL-coated |
Product safety
Product safety
Note in accordance with Regulation (EU) 2023/988 on general product safety: The responsible economic operator within the meaning of the Regulation is Suer Nutzfahrzeugtechnik GmbH & Co. KG, Handelsstraße 5, 42929 Wermelskirchen, Germany. For safety-related enquiries or notifications in connection with our products, please contact: produktsicherheit@suer.de.

Ball race KLK 950ND, drilled, 60 kN, 952 mm
Login view prices