MultiFixx-poikkipalkki SU-1, raakateräs, hitsattu versio
MultiFixx-poikkipalkki SU-1, raakateräs, hitsattu versio
605646561
⚖️ 43,02 kg
Kuvaus
Kuvaus
Muistiinpanoja
Muistiinpanoja
Käytettäessä lattiakehyksiä, joissa on integroidut kiinnityskorvakkeet tai kiinnityslenkit, luodaan yhdessä MultiFixx-poikkipalkkien kanssa järjestelmäalusta, jota voidaan käyttää monenlaisten kiinnitystehtävien ratkaisemiseen.
MultiFixx-poikittaispalkit ja pitkittäispalkit on testattu sidontapisteiden pysäyttiminä standardin DIN EN 12640 mukaisesti ja sertifioitu yhdessä SSP3-lattiarakenteen kanssa standardin DIN EN 12642 XL mukaisesti.
Ominaisuudet
Ominaisuudet
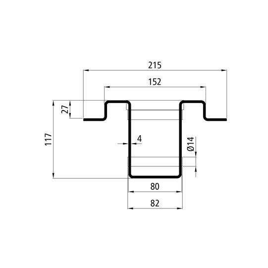
| Height | 117.0 |
| Length | 2472.0 |
| Load capacity punkt 1 | 2000.0 |
| Material | Teräs |
| Material thickness | 4.0 |
| Mounting method | Welding assembly |
| Number of lashing points | 29.0 |
| Number of plug minus in stake receptacles | 28.0 |
| Surface | Raaka |
| Width | 152.0 |
Tuoteturvallisuus
Tuoteturvallisuus
Note in accordance with Regulation (EU) 2023/988 on general product safety: The responsible economic operator within the meaning of the Regulation is Suer Nutzfahrzeugtechnik GmbH & Co. KG, Handelsstraße 5, 42929 Wermelskirchen, Germany. For safety-related enquiries or notifications in connection with our products, please contact: produktsicherheit@suer.de.
